产品名称微流体微粒纳米微粒合成系统,微流控混合芯片,Chip Passive Pearl-Chain Mixer - Luer,被动珍珠链混合芯片,Chip Passive Herringbone Mixer - Luer,wu源混频器人字芯片,Herringbone Mixer - Glass Chip,玻璃人字形芯片,Microfluidic Mixer Herringbone - 3Device - mini Luer,Chip Passive Diffusion Mixer - Luer,被动扩散混合芯片
品牌欧美进口
产品货号微流体微粒纳米微粒合成系统,微流控混合芯片,Chip Passive Pearl-Chain Mixer - Luer,被动珍珠链混合芯片,Chip Passive Herringbone Mixer - Luer,wu源混频器人字芯片,Herringbone Mixer - Glass Chip,玻璃人字形芯片,Microfluidic Mixer Herringbone - 3Device - mini Luer,Chip Passive Diffusion Mixer - Luer,被动扩散混合芯片
产品价格现货询价
联系人李先生
联系电话18618101725
产品说明

微流控混合芯片

1、Microfluidic Mixer 4 Device, Glass

用法:
反应装置或混合装置。
 尺寸:
通道深度:50um
通道宽度入口:105um
通道宽度混合器:300um
材质:玻璃
如果高温或有机溶剂起作用,则玻璃是手选材料。 。 定制设计可以按需实现。
Usage:
Reaction device or mixing device.
 Dimension:
Channel Depth: 50um
Channel Width Inlet: 105um
Channel Width Mixer: 300um
Material:  Glass
Glass is the material of choice if elevated temperatures or organic solvents come into play. . Custom-designs can be realized on demand.

2、Microfluidic Mixer Herringbone - 3Device - mini Luer


用法: 人字形通道设计用于混合液体。 材料: 这种微混合器芯片具有3个以聚碳酸酯(PC)或Topas制造的器件。 尺寸: 通道深度:200um 通道宽度入口:300um 通道宽度混合器:600um 通道宽度出口:600um 连接方式:鲁尔 通过注塑成型。 Usage:

Designed to mix liquids thanks to a herringbone-shaped channel.

Material:

This micro-mixer chip with 3 devices fabricated in polycarbonate (PC) or Topas.

Dimension:

Channel Depth: 200um

Channel Width Inlet: 300um

Channel Width Mixer: 600um

Channel Width Outlet: 600um

Connection:  Luer 

Made by injection molding.

3、Herringbone Mixer - Glass Chip,玻璃人字形芯片


该微混合器芯片是一种有用的工具,可用于通过人字形通道佳地混合液体。它方便的1 / 4-28 UNF螺纹端口使您可以在一秒钟内将芯片连接到您的设置!
这种通用玻璃芯片的简便设置通过减少扩散所需的长度并增加了溶质在流体之间传输的可能性,提供了一种快速混合两种流体的方法。
这种人字形芯片方便,经济,可靠,可用于您的实验:
高强度,光学透明的玻璃
标准显微镜载玻片尺寸(25 x 75毫米)
标准1 / 4-28 UNF螺纹端口
易于处理
只需使用1/4“ -28配件(用于1/16” OD或1/8“ OD管)将芯片连接到您的设置即可。

选项
以下是与芯片兼容的可选附件。您可以在上方选择这些选项,也可以通过其产品页面将其直接添加到购物车中。

使用以下方法连接芯片:

wu法兰PFA配件+ ETFE密封垫圈外径1/4“ -28至1/16”(每包10个)
wu法兰PFA配件+ ETFE密封垫圈1/4“ -28至1/8” OD(10包)
工作原理与应用
人字形混合器通过诱导混沌流的形成,在低雷诺数条件下显着加速了混合。

该微通道呈现出其底部具有不对称的人字形凹槽的特定图案,该凹槽能够产生螺旋流和用于混合两种液体的混乱搅拌。

流经微通道的流体的混合在多种应用中很重要:例如,在化学反应中所用试剂溶液的均质化中。
近,这种人字形混合器已经在脂质体(封闭的磷脂囊泡)的生产中取得了重要的。 Cheung等人(Int J Pharma 2019)确实shou次报道了使用我们的人字形混合器生产稳定且均匀的(100 nm)聚乙二醇化脂质体。他们研究了不同配方(水性介质,初始脂质浓度,脂质成分和组成)和加工参数的影响。
与其他微流控设备相比,该芯片显示出更高的通量,更快的混合和更少的洗脱。 


载片格式:25 x 75 m
通道深度:0.08毫米
通道宽度:0.1至0.5毫米
体积:3.3微升
体积混合器:0.47 ?L
搅拌机长度:28.7毫米
材质:玻璃
连接器:1/4″ -28配件
在混合部分中,有6个混合元素(人字形)形成一个块(半个循环)和30个块,因此总共有15个完整循环。 芯片在1到3 bar的压力下进行了测试,但也很少有使用10 bar压力的示例。

一个V形臂的两个臂是通道尺寸(200um)的1/3至2/3
人字形之间的距离为50um
每个混合元件的宽度为50um,高度为30um
T-29人字混合: 

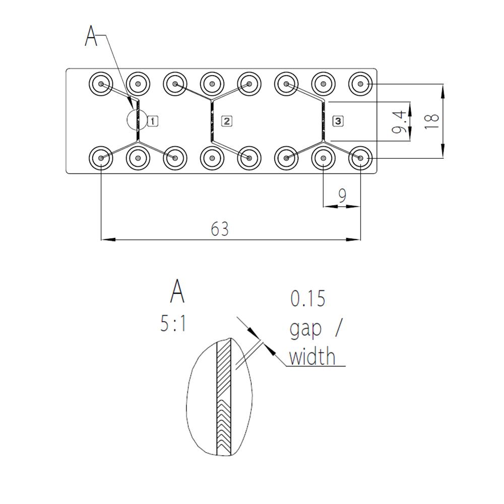
4、Chip Passive Herringbone Mixer - Luer,wu源混频器人字芯片- 鲁尔



这种通过PC或COP制成的微混合器芯片设计为可混合液体,这得益于人字形通道。 该芯片还包括鲁尔接头,以确保与进水管和进水管的连接wu泄漏。
对于实验芯片都很方便,具有成本效益且可靠:

与芯片模制的鲁尔接头:wu泄漏
高强度和光学透明的材料:PC(聚碳酸酯)或COP(Zeonor)
标准显微镜载玻片尺寸
该微混合器基于人字形通道混合两种液体。 设计液体的横向速度,导致有效混合。 由于一个芯片上有多个设计,您甚至可以连接它们以改善混合效果。

盖厚度:175um(PC)或188um(COP)
通道深度:200um
通道宽度:入口300um,混合器600um,出口600um
材质:PC或COP
PC(聚碳酸酯)是一种透明的热塑性塑料,其疏水性低于COC或COP,并且具有更好的填充性能。 它可以用于较高温度的应用,例如PCR。 这种材料的缺点是与COC,COP或PMMA相比具有相对较高的固有荧光。

Tg:145°摄氏度
折光率:1.58
PC可用于:
水溶液,包括稀酸和碱
酒类
油脂
PC不得用于:
基地
卤代烃
酮,醛
酯类
胺类
芳香族 

5、Chip Passive Pearl-Chain Mixer - Luer被动珍珠链混合芯片-鲁尔接头


这种由PC(聚碳酸酯)或COC(Topas)制成的微混合器芯片的设计是通过珍珠链形通道来混合液体。 该芯片还包括Luer连接,以确保与进水管和进水管的连接wu泄漏。

方便,经济且可靠,可用于您的实验:

与芯片模制的鲁尔接头:wu泄漏,高强度和光学透明的材料:PC(聚碳酸酯)或COC(托帕斯),标准显微镜载玻片尺寸,该微混合器基于珍珠链状通道,可将两种液体混合。 设计液体的横向速度,导致有效混合。 由于一个芯片上有多个设计,您甚至可以连接它们以改善混合效果。盖厚度:175um(PC)或125um(COC),材质:PC或COC 

这种在PC中制造的微混合器芯片设计用于通过扩散来混合流体或气体。 这些芯片还包括鲁尔接头,以确保与进水管和进水管的连接wu泄漏。

对于实验,芯片都很方便,具有成本效益且可靠:

与芯片模制的鲁尔接头:wu泄漏
高强度,光学透明的材料:PC(聚碳酸酯)
标准显微镜载玻片尺寸
该微混合器基于扩散来混合两种液体。 该设计允许液体长时间共流,从而导致有效混合。 由于一个芯片上有多个设计,您甚至可以连接它们以改善混合效果。

盖厚度:175um
通道深度:100um
通道宽度:入口100/200um,混合器200um
材质:PC

6、Chip Passive Diffusion Mixer - Luer,被动扩散混合芯片-鲁尔 


这种在PC中制造的微混合器芯片设计用于通过扩散来混合流体或气体。 这些芯片还包括鲁尔接头,以确保与进水管和进水管的连接wu泄漏。
对于实验,ChipShop芯片都很方便,具有成本效益且可靠:

与芯片模制的鲁尔接头:wu泄漏
高强度,光学透明的材料:PC(聚碳酸酯)
标准显微镜载玻片尺寸
该微混合器基于扩散来混合两种液体。 该设计允许液体长时间共流,从而导致有效混合。 由于一个芯片上有多个设计,您甚至可以连接它们以改善混合效果。

盖厚度:175um
通道深度:100um
通道宽度:入口100/200um,混合器200um
材质:PC 

微流体微粒和纳米微粒合成系统

微米/纳米颗粒,尤其是聚合物纳米颗粒,由于其出色的性能,在许多领域(如制药行业,如药物输送和生物传感)中显示出了巨大的生物医学应用潜力。
 
通过微流体技术进行的微米/纳米颗粒合成具有常规的常规合成方法的优点,这是因为其具有更好的尺寸和形状均匀性的能力。 如PLGA和脂质体合成纳米颗粒,它们是用于输送亲水和疏水化合物的常用的可生物降解材料。


纳米粒子合成:


聚合物流被压缩成狭窄的流,彼此平行,且两个相邻的水流沿中央通道以较高的流速流动,通过快速混合和自发扩散过程实现精度的纳米沉淀。


微粒合成:


扩大连接处的示意图,在孔口处有可控的破碎液滴。 通过孔的流量可控制液滴的分裂,这是产生单分散微乳液所必需的 

系统优点:
紧凑便携的设计
精度而准确的压力/流量输出
响应时间短
可通过外部液体流量传感器控制液体流量的输出
标准连接。 轻松连接到其他组件
提供OEM服务和模块集成