产品说明
CytoTrapNano循环肿瘤细胞分选系统
该系统为医疗保健和研究专业人员提供灵敏和特异的检测,用于检测和分析 CTC.
CytoTrapNano® 系统已用于同行评审研究,以从血液或其他液体样本中捕获稀有细胞,包括循环肿瘤细胞 (CTC) 和循环胎儿有核细胞 (CFNC)。

用生物素化抗体标记的细胞被专门捕获在 CytoTrapNano® 芯片上。
仅供科研使用 (RUO)。
关键技术特点:
专利技术平台——CytoTrapNano® 系统采用革命性的、专利的细胞亲和纳米结构基底分选平台、集成微流体系统和新型免疫化学程序。
高特异性和准确性 - CytoTrapNano® 系统捕获 CTC 的能力已得到证实,ICC 和高分辨率形态学进一步证实了这一点。
经验证的技术 - 在多个医疗机构进行科学验证,结果发表在具有高影响力的同行评审期刊上。
通过 CytoTrapNano® 设备捕获和识别 CTC 和其他稀有细胞
在 CytoTrapNano® 芯片上捕获和免疫荧光染色的细胞可以用荧光显微镜观察。* CytoTrapNano® 系统已用于临床研究以捕获来自前列腺癌、皮肤癌、胰腺癌、肝癌、肾癌和肺癌患者的 CTC。 这些设备还被用于临床研究,以捕获和识别从孕妇抽取的血液中的稀有胎儿细胞。 这些结果发表在高影响力期刊上。
*注意:由于芯片的不透明特性,显微镜的光源和镜头必须在芯片的同一侧。
对于 CTC 相关研究,可以使用 RUO 试剂盒。
对于涉及其他稀有细胞的研究,用户需要使用自己的捕获抗体和染色溶液。
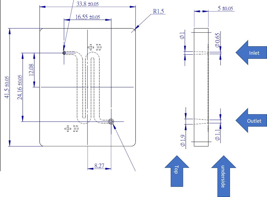
CTC分选芯片-CytoTrapNanoTM 芯片(CytoTrapNano® Chip)
CytoTrapNanoTM 芯片是 Cytolumina Technologies 专有的微流体 CTC 捕获和筛选纳米技术产品。 该芯片有一个带有 3 个并行通道的纳米蚀刻面。 将芯片存放在 2-8°C.
细胞捕获和染色后,芯片可以很容易地附着在载玻片上,并用荧光显微镜检查。
CytoTrapNanoTM PDMS 底物盖,CytoTrapNanoTM PDMS Substrate Cover
CytoTrapNanoTM PDMS 底物盖可确保芯片在 CTC 富集过程中牢固地固定在芯片架中。 盖子有一个包含入口和出口孔的纳米蚀刻面。 在室温 (20-25oC) 下储存 CytoTrapNanoTM PDMS 底物盖
CytoTrapNano® 手动芯片架
CytoTrapNano® 手动芯片架是一种紧凑、简单的设备,可确保芯片和 PDMS 盖在 CTC 富集和固定过程中牢固固定以形成微流体通道。 CytoTrapNano® 芯片支架可与标准注射泵系统一起使用,以捕获 CytoTrapNano® 芯片上的细胞。
该平台已通过 Tygon 管 0.04" ID x 0.07" OD 和注射泵成功测试。
自动化解决方案

CytoTrapNanoTM 注射泵系统是一种易于使用的quan自动 CTC 富集和染色系统。 它通过 TR(热释放)-CytoTrapNanoTM 系统实现 CTC 收集和保存,用于分子检测开发.
应用-关键研究:

Prostate Cancer
(1) Highly efficient capture of circulating tumor cells by using nanostructured silicon substrates with integrated chaotic micromixers. S Wang, K Liu, J Liu, ZTF Yu, X Xu, L Zhao, T Lee, EK Lee, J Reiss, ...Angewandte Chemie 123 (13), 3140-3144
(2) NanoVelcro Chip for CTC enumeration in prostate cancer patients. YT Lu, L Zhao, Q Shen, MA Garcia, D Wu, S Hou, M Song, X Xu, ...Methods 64 (2), 144-152
(3) High‐purity prostate circulating tumor cell isolation by a polymer nanofiber‐embedded microchip for whole exome sequencing. L Zhao, YT Lu, F Li, K Wu, S Hou, J Yu, Q Shen, D Wu, M Song, ... Advanced materials 25 (21), 2897-2902
(4) Subclassification of prostate cancer circulating tumor cells by nuclear size reveals very small nuclear circulating tumor cells in patients with visceral metastases. JF Chen, H Ho, J Lichterman, YT Lu, Y Zhang, MA Garcia, SF Chen, ...Cancer 121 (18), 3240-3251
Melanoma
(5) Polymer nanofiber‐embedded microchips for detection, isolation, and molecular analysis of single circulating melanoma cells. S Hou, L Zhao, Q Shen, J Yu, C Ng, X Kong, D Wu, M Song, X Shi, X Xu, ...Angewandte Chemie International Edon 52 (12), 3379-3383
Pancreatic Cancer
(6) Circulating tumour cells as a biomarker for diagnosis and staging in pancreatic cancer. JS Ankeny, CM Court, S Hou, Q Li, M Song, D Wu, JF Chen, T Lee, M Lin,...Brsh journal of cancer 114 (12), 1367
(7) Circulating Tumor Cells Predict Occult Metastatic Disease and Prognosis in Pancreatic Cancer. JS Ankeny, S Sho, P Winograd, S Hou, M Song, ZA Wainberg, MD Girgis, ...Annals of Surgical Oncology, 1-9
Hepatocellular Carcinoma
(8) Evaluation of hepatocellular carcinoma circulating tumor cells expressing programmed death-ligand 1. P Winograd, S Hou, S Sadeghi, RS Finn, B DiPardo, Q Li, FM Kaldas, ...HPB 20, S2-S3
(9) A Novel Multimarker Assay for the Phenotypic Profiling of Circulating Tumor Cells in Hepatocellular Carcinoma. CM Court, S Hou, P Winograd, NH Segel, QW Li, Y Zhu, S Sadeghi, ...Liver Transplantation
Non-Small Cell Lung Cancer
(10) Programming thermoresponsiveness of NanoVelcro substrates enables effective purification of circulating tumor cells in lung cancer patients. Z Ke, M Lin, JF Chen, J Choi, Y Zhang, A Fong, AJ Liang, SF Chen, Q Li, ...ACS nano 9 (1), 62-70
Kidney Cancer
(11) Combined cell surface carbonic anhydrase 9 and CD147 antigens enable high-efficiency capture of circulating tumor cells in clear cell renal cell carcinoma patients. S Liu, Z Tian, L Zhang, S Hou, S Hu, J Wu, Y Jing, H Sun, F Yu, L Zhao, ...Oncotarget 7 (37), 59877
Fetal cells
(12) Imprinted NanoVelcro Microchips for Isolation and Characterization of Circulating Fetal Trophoblasts: Toward Noninvasive Prenatal Diagnostics (vol 11, pg 8167, 2017). S Hou, JF Chen, M Song, Y Zhu, YJ Jan, SH Chen, TH Weng, DA Ling, ...ACS NANO 11 (12), 12863-12863
Review Articles
(13) Nanostructure embedded microchips for detection, isolation, and characterization of circulating tumor cells M Lin, JF Chen, YT Lu, Y Zhang, J Song, S Hou, Z Ke, HR Tseng Accounts of chemical research 47 (10), 2941-2950
(14) NanoVelcro rare-cell assays for detection and characterization of circulating tumor cells. YJ Jan, JF Chen, Y Zhu, YT Lu, SH Chen, H Chung, M Smalley, ...Advanced drug delivery reviews 125, 78-93
(15) Clinical applications of NanoVelcro rare-cell assays for detection and characterization of circulating tumor cells JF Chen, Y Zhu, YT Lu, E Hodara, S Hou, VG Agopian, JS Tomlinson, ...Theranostics 6 (9), 1425
(16) Noninvasive Prenatal Diagnostics: Recent Developments Using Circulating Fetal Nucleated Cells PJ Chen, PC Teng, Y Zhu, YJ Jan, M Smalley, Y Afshar, LC Chen, ...Current Obstetrics and Gynecology Reports, 1-8
|